Електродвигател 0.75kW, 1500, B35, 80, чугунен, VALIADIS, IE3
Технически чертеж

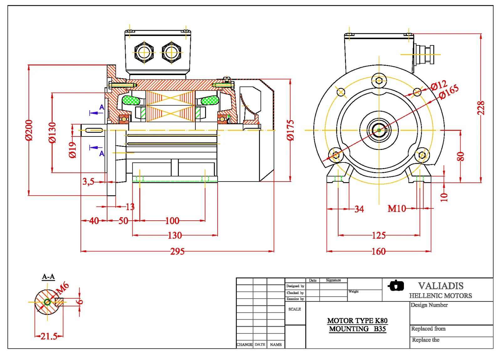
Технически чертеж: K80_B35.pdf

Електродвигател 0.75kW, 1500, B35, 80, чугунен, VALIADIS, IE3

https://shop.eldvigateli.com/web/image/product.template/20193/image_1920?unique=d7ac361

Електродвигател VALIADIS80, 1500об/мин, , захващане тип B35, трифазен за непрекъсната работа S1, с алуминиев корпус. Отличава се с висока ефективност, 100% медни намотки - добра производителност и енергийна ефективност, здрав алуминиев корпус за лекота и устойчивост, и висока плътност с клас на защита IP55, подходящ за различни метеорологични условия.

Технически чертеж: K80_B35.pdf

0,00 лв 0.0 BGN 0,00 лв  без ДДС

439,15 лв  без ДДС

Обадете се на 0888826493 или Регистрирайте Вашата фирма, за цена на продукта

  • Мощност
  • Обороти
  • Монтаж
  • Габарит

This combination does not exist.

Мощност: 0.75kW
Обороти: 1500
Монтаж: B35
Габарит: 80

Регистрирайте се, за да виждате наличност.